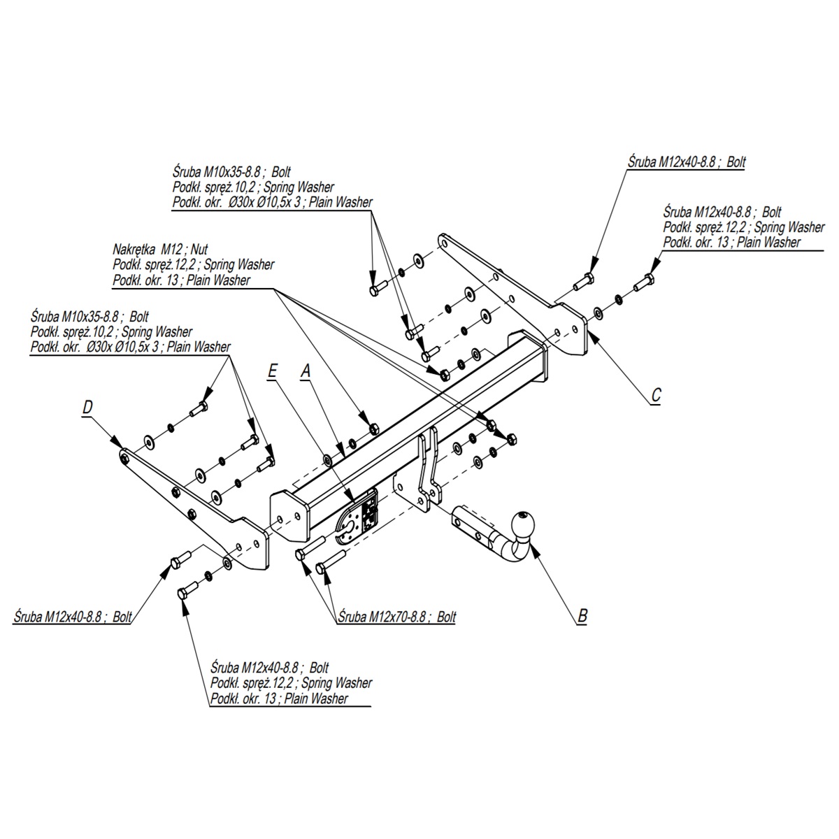
Купить Фаркоп Imiola для Volkswagen Caravelle 2015-, кроме авто с парктроником с установкой в Минске, цена