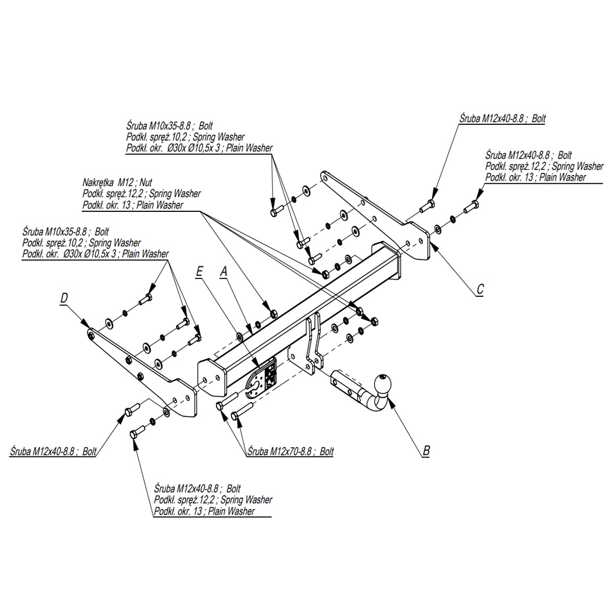
Купить Фаркоп Imiola (Польша) для Volkswagen Caravelle T5 (2003-2015) с установкой в Минске, цена