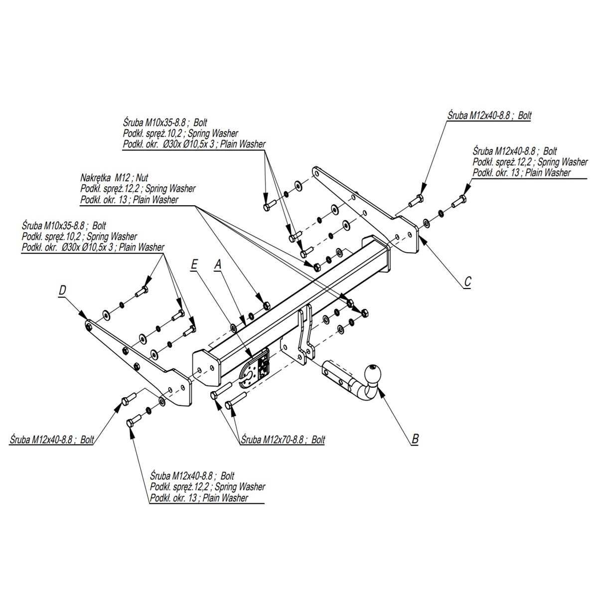
Купить Фаркоп Imiola (Польша) для Volkswagen Multivan T5 (2003-2015) с установкой в Минске, цена