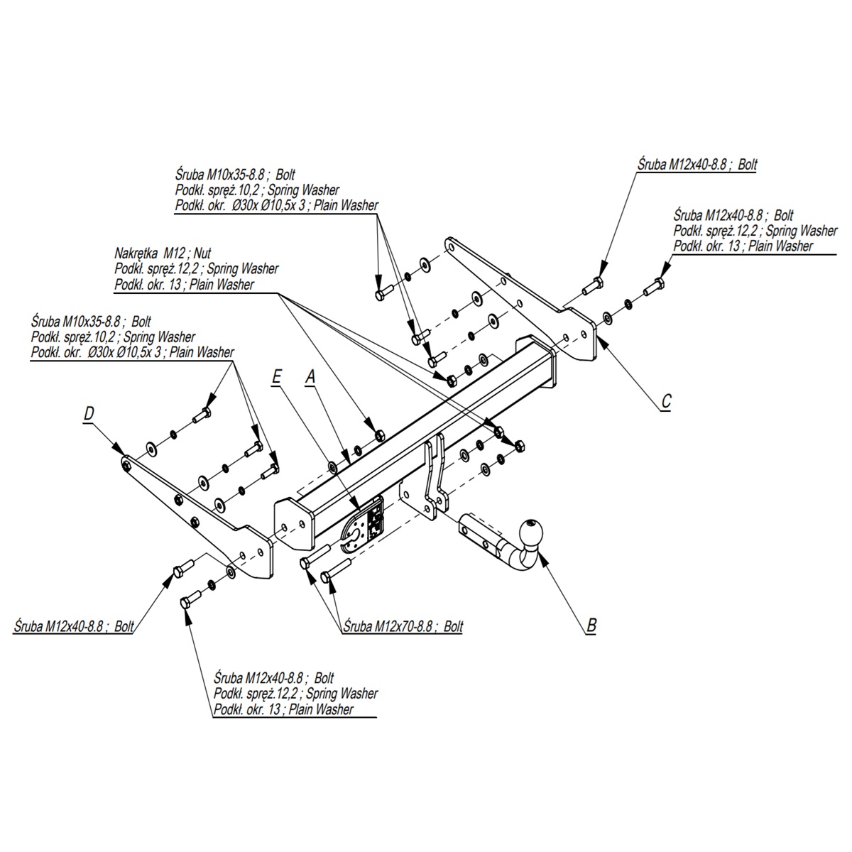
Купить Фаркоп Imiola для Volkswagen Transporter T6 2015-, кроме авто с парктроником с установкой в Минске, цена